Антенный анализатор EU1KY
- R4YAE
- Сообщения: 397
- Зарегистрирован: 13 окт 2019, 22:08
- Откуда: Чувашия
- Позывной: R4YAE
- Благодарил (а): 54 раза
- Поблагодарили: 186 раз
Антенный анализатор EU1KY
Сообщение R4YAE » 18 окт 2019, 20:43
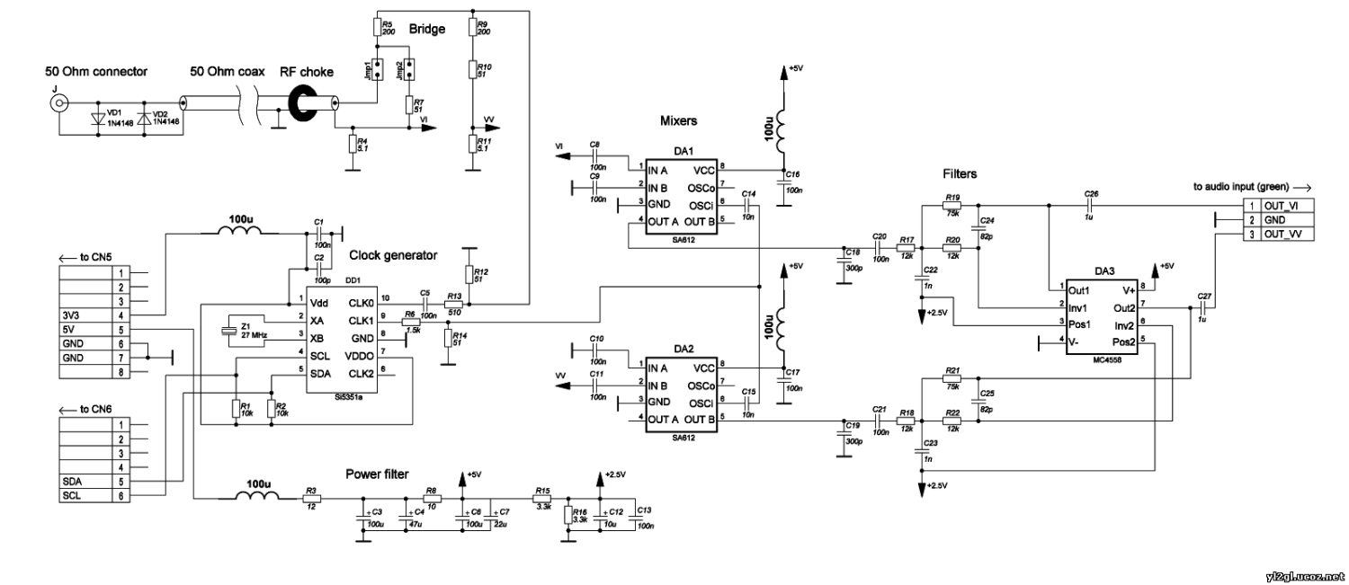
Юрий EU1KY Кучура сконструировал вполне качественный и недорогой антенный анализатор. А главное - простой. Достаточно собрать небольшую плату расширения на доступных деталях, установить её на плату "миникомпьютера" STM32F746G-Disco с сенсорным экраном и прибор готов! Всего за 5-6 тысяч российских рублей получаем антенный анализатор по своим возможностям не уступающий фирменным образцам намного дороже.
Корпус изготовил из стеклотекстолита.
Я тоже решил его повторить. Всего за пару вечеров приборчик готов. Многие питают его литиевыми аккумуляторами через DC/DC преобразователь на 5 вольт, но я применил 4 Ni-MH аккумулятора, посчитав, что питать довольную чувствительную к помехам и наводкам аппаратуру от потенциального источника этих самых наводок и помех не разумно.
Корпус изготовил из стеклотекстолита.
R4YAE
- Chipmaster
- Сообщения: 267
- Зарегистрирован: 15 окт 2019, 05:18
- Позывной: R9WBZ
- Город: Уфа
- Благодарил (а): 121 раз
- Поблагодарили: 67 раз
- Контактная информация:
Антенный анализатор EU1KY
Сообщение Chipmaster » 21 окт 2019, 07:49
Располагаю таким анализатором. Вполне им доволен. Работает от встроенного китайского Power Bank на 10Ач. Никаких проблем с помехами. Однако, есть и нюансы работы с этим прибором. К примеру, настраиваю антенну, смотрю график - все красиво, резонанс там, где надо, КСВ по краям диапазона в пределах 1.8 - все здОрово. Включаю трансивер на передачу в режиме CW, мощность минимальная - прогоняю валкодером по диапазону и вижу, что график анализатора не совпадает с реальным КСВ и равномерностью по диапазону. В реале существенно лучше КСВ по краям, но неравномерность КСВ по диапазону выше. То есть кто то врет - или анализатор или КСВ-показометр трансивера. Калибровку OSL с реальным кабелем делал.
Мой канал "Когда не дома. Хобби на родных просторах"
Всем добра, 73! R9WBZ (ex: RA9WOF)
Всем добра, 73! R9WBZ (ex: RA9WOF)
Chipmaster
- R4YAE
- Сообщения: 397
- Зарегистрирован: 13 окт 2019, 22:08
- Откуда: Чувашия
- Позывной: R4YAE
- Благодарил (а): 54 раза
- Поблагодарили: 186 раз
Антенный анализатор EU1KY
Сообщение R4YAE » 23 окт 2019, 23:04
А как её делать? Что-то я упустил.. Помню, подключил к длинному куску кабеля эквивалент, анализатор ересь показал
R4YAE
-
- Сообщения: 245
- Зарегистрирован: 15 окт 2019, 19:52
- Откуда: Казахстан
- Позывной: -- -- --
- Город: Жезказган
- Благодарил (а): 51 раз
- Поблагодарили: 47 раз
Антенный анализатор EU1KY
Сообщение tygra » 24 окт 2019, 04:38
Как то я бы не сказал что прям дешево , одна STM стоит от 80 баксов с китая ....
Такой какой есть , ничего не могу с этим поделать ) .
tygra
- Chipmaster
- Сообщения: 267
- Зарегистрирован: 15 окт 2019, 05:18
- Позывной: R9WBZ
- Город: Уфа
- Благодарил (а): 121 раз
- Поблагодарили: 67 раз
- Контактная информация:
Антенный анализатор EU1KY
Сообщение Chipmaster » 24 окт 2019, 08:46
Ну, в меню настроек пункт OSL calibrate. Как при первоначальной калибровке прибора с эквивалентами 5ом, 50ом и 500ом. OSL означает: O - Open (500ом или разомкнуто), S - Short (5ом или накоротко), L - Load (50ом). Какие будут эквиваленты - выбирается в меню прибора. В прицепе инструкция на русском - там все написано. Только обычно OSL делается с эквивалентами прямо на разъеме анализатора. А, чтобы компенсировать свойства конкретного куска кабеля, надо сделать то же самое, только к анализатору подключать тот самый кусок кабеля, а на другой его конец - эквиваленты. Если вы собирали прибор сами, то вам еще надо HW (HardWare) калибровку сделать, а уж потом - OSL. Иначе он всякую хрень может показывать. HW калибровка нужна для "привязки" анализатора к расположению его элементов в корпусе, к конкретному разъему. Поменяли что то внутри: разъем другой поставили, какие нибудь провода передвинули - заново надо делать HW и потом OSL.
- Вложения
-
- USER_MANUAL.zip
- (1.78 МБ) 72257 скачиваний
Мой канал "Когда не дома. Хобби на родных просторах"
Всем добра, 73! R9WBZ (ex: RA9WOF)
Всем добра, 73! R9WBZ (ex: RA9WOF)
Chipmaster
- Chipmaster
- Сообщения: 267
- Зарегистрирован: 15 окт 2019, 05:18
- Позывной: R9WBZ
- Город: Уфа
- Благодарил (а): 121 раз
- Поблагодарили: 67 раз
- Контактная информация:
Антенный анализатор EU1KY
Сообщение Chipmaster » 24 окт 2019, 08:52
Хорошо и дешево не бывает. Однако же 6...12 тыров за приличный прибор в противовес буржуйским за 20+ тыров - это очень недорого.
Мой канал "Когда не дома. Хобби на родных просторах"
Всем добра, 73! R9WBZ (ex: RA9WOF)
Всем добра, 73! R9WBZ (ex: RA9WOF)
Chipmaster
-
- Сообщения: 39
- Зарегистрирован: 15 окт 2019, 09:04
- Откуда: Ессентуки
- Позывной: UB6HMV
- Город: Ессентуки
- Благодарил (а): 40 раз
- Поблагодарили: 11 раз
Антенный анализатор EU1KY
Сообщение Александр UB6HMV » 29 окт 2019, 11:24
Тоже владею этим антенным анализатором. Собирал два года назад. Сравнивал его показания на УКВ с заводским анализатором RigExpert (модель не помню). Результаты измерений почти одинаковые (разброс показаний в пределах разумного). Так что пользоваться вполне можно.
Встроил в корпус повербанк на 4А. Никаких ухудшений в работе не заметил. Правда не много доработал схему измерительной платы, добавив туда по больше конденсаторов, с ними уровень шумов стал гораздо ниже.
Обошелся мне он тыщ в 7 (в ценах декабря 2017 года) с учетом того, что часть компонентов у меня уже была в наличии (остатки от других проектов). За такие деньги прибор просто сказка))))
Встроил в корпус повербанк на 4А. Никаких ухудшений в работе не заметил. Правда не много доработал схему измерительной платы, добавив туда по больше конденсаторов, с ними уровень шумов стал гораздо ниже.
Обошелся мне он тыщ в 7 (в ценах декабря 2017 года) с учетом того, что часть компонентов у меня уже была в наличии (остатки от других проектов). За такие деньги прибор просто сказка))))
Александр UB6HMV
-
- Сообщения: 245
- Зарегистрирован: 15 окт 2019, 19:52
- Откуда: Казахстан
- Позывной: -- -- --
- Город: Жезказган
- Благодарил (а): 51 раз
- Поблагодарили: 47 раз
Антенный анализатор EU1KY
Сообщение tygra » 29 окт 2019, 15:50
Я не шибко "шарю" в подобных штуках , но взять тот же SWR mouse что Владимир показывал, по цене совсем не дорого выходит , а телефон есть у каждого где можно смотреть данные графики или я не правильно думаю ? Я не в укор и не критикую , просто мне действительно не очень понятно зачем тратить столько денег что бы один раз антенну настроить , когда есть более дешевые альтернативы .. Пожалуйста поправьте где я не правильно думаю .
Такой какой есть , ничего не могу с этим поделать ) .
tygra
-
- Сообщения: 39
- Зарегистрирован: 15 окт 2019, 09:04
- Откуда: Ессентуки
- Позывной: UB6HMV
- Город: Ессентуки
- Благодарил (а): 40 раз
- Поблагодарили: 11 раз
Антенный анализатор EU1KY
Сообщение Александр UB6HMV » 29 окт 2019, 17:23
SWR mouse зачетная штука. Если бы я узнал про эту конструкцию раньше, чем мне рассказали про антенный анализатор от Кучуры, то скорее всего остановился бы на более бюджетной конструкции.
Александр UB6HMV
Вернуться в «Антенные приборы и устройства»
Перейти
- Обязательно к прочтению
- Аналоговая схемотехника
- ↳ Супергетеродинные приемники и трансиверы
- ↳ Прямое преобразование
- ↳ Прямое усиление
- ↳ Регенераторы
- ↳ Узлы, блоки, модули
- ↳ Усилители мощности
- Цифровая техника
- ↳ SDR приемники
- ↳ SDR приставки
- ↳ SDR трансиверы
- ↳ Микроконтроллеры и программирование
- Теплая лампота
- ↳ Супергетеродины
- ↳ Регенераторы
- ↳ Прямого усиления
- ↳ УНЧ
- ↳ ВЧ усилители мощности
- Источники питания
- ↳ Трансформаторные и линейные
- ↳ Импульсные и преобразователи
- ↳ Гибриды
- ↳ Аккумуляторы и батареи
- ↳ Альтернативные источники
- Антенны
- ↳ Антенны КВ
- ↳ Антенны УКВ
- ↳ Фидеры кабели
- ↳ Антенные приборы и устройства
- ↳ Тюнеры
- Фирменная аппаратура
- ↳ Yaesu
- ↳ Icom
- ↳ Kenwood
- ↳ Прочие
- Мастерская
- ↳ Измерения, приборы и софт
- ↳ Паяльное оборудование
- ↳ Слесарка
- ↳ ЧПУ и 3D принтеры
- Разное
- ↳ Другие радио темы
- ↳ Полевой день
- ↳ Помогите опознать
- ↳ Куплю Продам Магазины Продавцы
- ↳ Флудильня и оффтоп
- Работа форума