Набор для сборки трансивера из китая SSB6.1

yuradcb
Сообщения: 3
Зарегистрирован: 16 дек 2020, 00:04
Позывной: RC3FW
Город: Дубна
Имя: Юрий

Набор для сборки трансивера из китая SSB6.1

Сообщение yuradcb » 16 дек 2020, 00:22

Купил такой набор около 2 лет назад.-ковыряюсь -до сих пор!Диапазон кажется от 2.5(там не лазию) до 29.9(все КВ- на плате синтезатора скоммутировано диодами для сплошного перекрытия) RX-TX ...кое какие изменения по схеме сделаны...

yuradcb
Сообщения: 3
Зарегистрирован: 16 дек 2020, 00:04
Позывной: RC3FW
Город: Дубна
Имя: Юрий

Набор для сборки трансивера из китая SSB6.1

Сообщение yuradcb » 16 дек 2020, 00:32

убрана регулировка полосы в К,Ф( скат двигается только с одной стороны,если оставлять-то только как подчисточный а не основной!)


yuradcb
Сообщения: 3
Зарегистрирован: 16 дек 2020, 00:04
Позывной: RC3FW
Город: Дубна
Имя: Юрий

Набор для сборки трансивера из китая SSB6.1

Сообщение yuradcb » 16 дек 2020, 00:39

АРУ- не зависимая от громкости,изменены режимы транзисторов в ПЧ. Усилитель НА 2-Х IRF530 - 50 ватт ...

zeta
Сообщения: 26
Зарегистрирован: 14 окт 2019, 23:42
Благодарил (а): 9 раз

Набор для сборки трансивера из китая SSB6.1

Сообщение zeta » 16 дек 2020, 01:18

Я про эту катушку спрашивал. Как она называется или может ее можно на али купить?
Screenshot 2020-12-16 at 00.16.21.png

Sidrch
Сообщения: 17
Зарегистрирован: 15 дек 2020, 18:45
Имя: Владимир
Благодарил (а): 4 раза
Поблагодарили: 3 раза

Набор для сборки трансивера из китая SSB6.1

Сообщение Sidrch » 17 дек 2020, 06:57

На али гонялся больше года. Покупал за 1,9кр. Сейчас вот 1 511,78 руб. 30%OFF | Сделай Сам часть для 6-полосного HF SSB коротковолнового радиоприемника
https://aliexpress.ru/item/4000969508350.html

zeta
Сообщения: 26
Зарегистрирован: 14 окт 2019, 23:42
Благодарил (а): 9 раз

Набор для сборки трансивера из китая SSB6.1

Сообщение zeta » 17 дек 2020, 16:38

Sidrch писал(а):
17 дек 2020, 06:57
На али гонялся больше года. Покупал за 1,9кр. Сейчас вот 1 511,78 руб. 30%OFF | Сделай Сам часть для 6-полосного HF SSB коротковолнового радиоприемника
https://aliexpress.ru/item/4000969508350.html
спасибо в комментах написано что это называется Toko Coil
На ибее под таким названием есть несколько лотов

Sidrch
Сообщения: 17
Зарегистрирован: 15 дек 2020, 18:45
Имя: Владимир
Благодарил (а): 4 раза
Поблагодарили: 3 раза

Набор для сборки трансивера из китая SSB6.1

Сообщение Sidrch » 22 дек 2020, 16:13

Года полтора назад купил такой набор и такой синтезатор (как в первом посте этой темы R2AJI). До сих пор не доделан.. А теперь по порядку. Плата собирается и катушки мотаются без особых проблем и больших трудностей, я бы даже сказал с удовольствием. Контура настроил в общем то нормально. На прием, передачу по сути и не трогал. Смущало отсутствие ряда диапазонов, но это решаемо и об этом ниже. Но пара проблем все же есть. Проблема первая: второй гетеродин LSB и USB образованные L16 и CA1, не возможно перестроить в USB, через паразитные емкости кварц все равно генерит и не там где надо. Вариант АМ с обоими закрытыми ключами отсутствует как таковой (менял как бы не все причастные компоненты), сбрасывал экран с L16. Не помогло. До АРУ не добрался. Не нравится работа КФ.
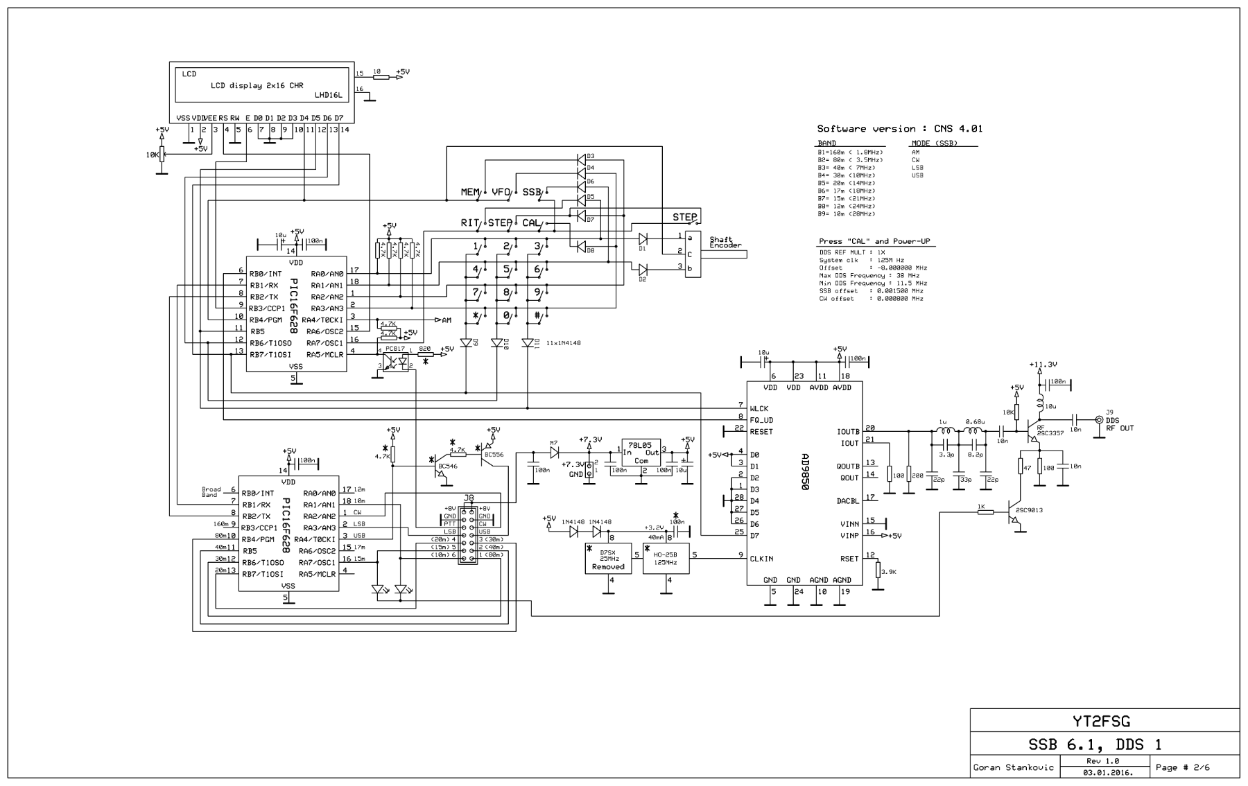
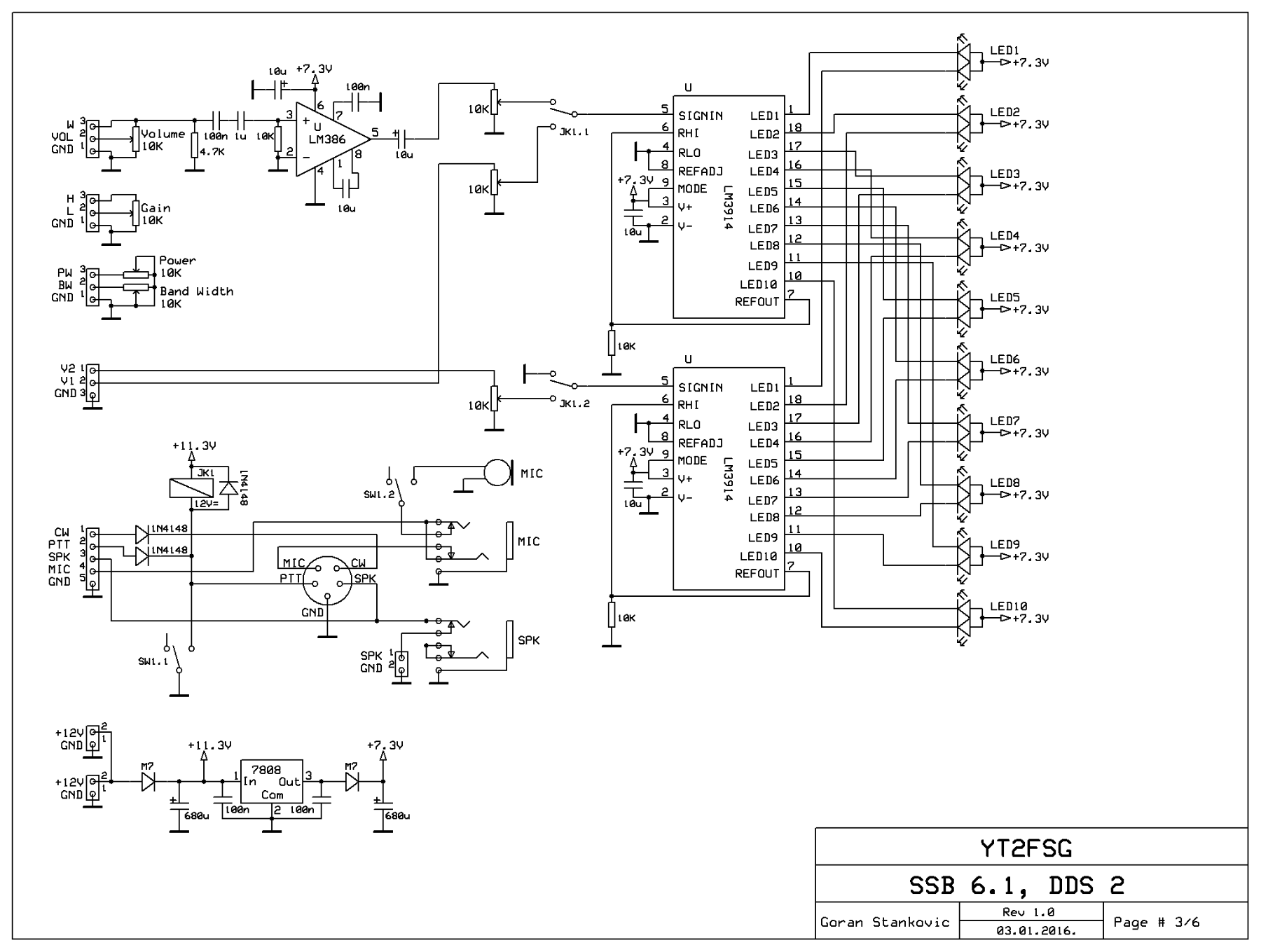
Синтезатор: Первым делом, выход из него, ни то чтобы синус, это даже ЭКГ отдыхает. Основная (наибольшая) причина в том что производитель ставит кварцевый генератор не на 125мГц а что то вроде 50мГц. Сей "клиент" был куплен там же на али, и результат порадовал. Осциллограм приложить не могу за давностью времен. Еще нюанс. Плата не укомплектована сдвоенными светодиодами, докупил там же. Обращаю внимание что они с общими анодами (вначале купил ни те). Из приятных моментов то, что на плате синтезатора есть сигналы диапазонов 160, 17 и 12 метров то есть всего 9шт, но они не выведены на разъем и "висят в воздухе". (См.схему)
Усилитель: приобретал и собирал AMP-45, но и тут засада. при первом включении ватт 15 вроде и было на 7МГц, но почти сразу пропало. Дикая не линейность. Частотный диапазон от 4 до 16 МГц. С аккуратностью в сборке проблем нет! Подозреваю, что проблема в ферритах
SSB6.1_DDS1.png
SSB6.1_DDS2.png

UR3AMP
Сообщения: 1
Зарегистрирован: 24 дек 2020, 16:54
Откуда: Ukraine, Sumy
Позывной: UR3AMP
Город: Kyiv
Имя: Mykhailo
Контактная информация:

Набор для сборки трансивера из китая SSB6.1

Сообщение UR3AMP » 24 дек 2020, 17:03

Добрый день!

Собрал основную плату и УМ на 45 ват, но никак не удается "найти" нормального уровня сигнал на TX.

Подскажите как вы боролись с падающим сигналом при передаче на выходе после ПДФ основной платы?

Sajdashevich
Сообщения: 3
Зарегистрирован: 11 янв 2021, 20:22
Имя: Sajdashevich

Набор для сборки трансивера из китая SSB6.1

Сообщение Sajdashevich » 11 янв 2021, 20:32

Такая же проблема. Хочу попробовать вот такой LNA предусилитель поставить. Вроде как можно регулировать усиление изменением напряжения питания данного.
https://aliexpress.ru/item/32948824742.html

Аватара пользователя
Sanc11
Сообщения: 9
Зарегистрирован: 22 янв 2021, 13:53
Город: Alferovo
Имя: александр

Набор для сборки трансивера из китая SSB6.1

Сообщение Sanc11 » 22 янв 2021, 14:20

Криворукий, Здравствуйте! Тоже собрал приемник из китая-работает. Где брали переднюю панель? Если есть возможность то подскажите. Или поделитесь размерами.

Ответить

Вернуться в «Супергетеродинные приемники и трансиверы»