Yaesu FT-757GX/SX
- SNRC
- Сообщения: 9
- Зарегистрирован: 29 авг 2020, 17:41
- Позывной: R4FCP
- Город: Пенза
- Имя: Денис
- Благодарил (а): 2 раза
Yaesu FT-757GX/SX
Сообщение SNRC » 05 авг 2021, 01:24
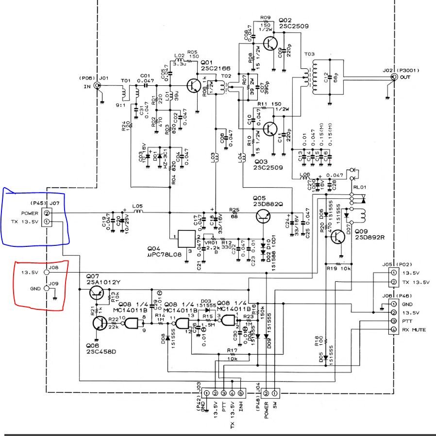
Подскажите привильно ли я понимаю что диод D09 и схема на реле защищает трансивер от переполюсовки?
Красный квадрат вход питания. Желтый,просто перемычка в разъёме питания.J04 просто кнопка.
Yaesu FT-450AT. Yaesu FT-757SX. Malahit DSP-3. Degen DE-1103 PLL. Антенна TR-3.
SNRC
- R2AJI
- Сообщения: 759
- Зарегистрирован: 12 окт 2019, 22:48
- Город: Россошь
- Благодарил (а): 201 раз
- Поблагодарили: 243 раза
Yaesu FT-757GX/SX
Сообщение R2AJI » 05 авг 2021, 09:54
Не совсем, он больше нужен для правильной работы системы включения питания.
Все вопросы про радио, на форум пожалуйста, в личные сообщения, только личные вопросы.
В противном случае, все равно отправлю на форум.
YouTube канал HAM Radio Channel
В противном случае, все равно отправлю на форум.
YouTube канал HAM Radio Channel
R2AJI
Перейти
- Обязательно к прочтению
- Аналоговая схемотехника
- ↳ Супергетеродинные приемники и трансиверы
- ↳ Прямое преобразование
- ↳ Прямое усиление
- ↳ Регенераторы
- ↳ Узлы, блоки, модули
- ↳ Усилители мощности
- Цифровая техника
- ↳ SDR приемники
- ↳ SDR приставки
- ↳ SDR трансиверы
- ↳ Микроконтроллеры и программирование
- Теплая лампота
- ↳ Супергетеродины
- ↳ Регенераторы
- ↳ Прямого усиления
- ↳ УНЧ
- ↳ ВЧ усилители мощности
- Источники питания
- ↳ Трансформаторные и линейные
- ↳ Импульсные и преобразователи
- ↳ Гибриды
- ↳ Аккумуляторы и батареи
- ↳ Альтернативные источники
- Антенны
- ↳ Антенны КВ
- ↳ Антенны УКВ
- ↳ Фидеры кабели
- ↳ Антенные приборы и устройства
- ↳ Тюнеры
- Фирменная аппаратура
- ↳ Yaesu
- ↳ Icom
- ↳ Kenwood
- ↳ Прочие
- Мастерская
- ↳ Измерения, приборы и софт
- ↳ Паяльное оборудование
- ↳ Слесарка
- ↳ ЧПУ и 3D принтеры
- Разное
- ↳ Другие радио темы
- ↳ Полевой день
- ↳ Помогите опознать
- ↳ Куплю Продам Магазины Продавцы
- ↳ Флудильня и оффтоп
- Работа форума