NWT-300AF
- ru0aog
- Сообщения: 1059
- Зарегистрирован: 30 сен 2021, 05:50
- Позывной: ru0aog
- Город: Красноярск
- Имя: Станислав
- Благодарил (а): 138 раз
- Поблагодарили: 152 раза
NWT-300AF
Сообщение ru0aog » 17 ноя 2021, 08:45
Надоели мне в кладовке старые гробы.
К тому же приобретены они были списанными с лабораторий (с выкушенными КМ-ками, как потом оказалось), и стали они от старости подглючивать. И в 2016 году получил я приборчик NWT-300AF со следующими параметрами:
- Frequency range: 20Hz-300MHz, step 1Hz
- Logarithmic dynamic range: better than 75db
- Linear detection range: 0-1V EMF
К тому же приобретены они были списанными с лабораторий (с выкушенными КМ-ками, как потом оказалось), и стали они от старости подглючивать. И в 2016 году получил я приборчик NWT-300AF со следующими параметрами:
- Frequency range: 20Hz-300MHz, step 1Hz
- Logarithmic dynamic range: better than 75db
- Linear detection range: 0-1V EMF
ru0aog
- ru0aog
- Сообщения: 1059
- Зарегистрирован: 30 сен 2021, 05:50
- Позывной: ru0aog
- Город: Красноярск
- Имя: Станислав
- Благодарил (а): 138 раз
- Поблагодарили: 152 раза
NWT-300AF
Сообщение ru0aog » 17 ноя 2021, 08:50
Настроил его по своему тогдашнему частотомеру
изготовил высокоомный щуп (так как входы-выходы прибора согласованы под 50 Ом)
и стал обмерять всё, что под руку попадётся 
Шумовая дорожка оказалась на -50 дБ. Не так хорошо, как рекламировалось, но лучше, чем на 1Х-48
просто какой-то контур: MF200: Причём шум зависит от того, что и как подключено Подошва на -50 дБ появляется, если на щупах объединяется земля входа и выхода.

Шумовая дорожка оказалась на -50 дБ. Не так хорошо, как рекламировалось, но лучше, чем на 1Х-48
просто какой-то контур: MF200: Причём шум зависит от того, что и как подключено Подошва на -50 дБ появляется, если на щупах объединяется земля входа и выхода.
ru0aog
- ru0aog
- Сообщения: 1059
- Зарегистрирован: 30 сен 2021, 05:50
- Позывной: ru0aog
- Город: Красноярск
- Имя: Станислав
- Благодарил (а): 138 раз
- Поблагодарили: 152 раза
NWT-300AF
Сообщение ru0aog » 17 ноя 2021, 08:54
Но тут приключилось горе - вылетел выходной усилитель.
Пришлось вскрывать.
На плате установлен контроллер MEGA328P, синтез AD9954, USB-контроллер FT232RL,
на радиаторе - L7805.
Нераспаянные пины JP1 - похоже на SPI-программирование атмеги.
JP2 - USB-шина (Vbus, DP(D-), DM(D+), GND).
Перемычка JP3 отключает внешнее питание.
JP4 - USART (GND, RXD, 5V, TXD, GND),
JP5 - не понятно (+5V, SW, A-N, GND). чтобы случайно не закоротило, под плату подложен антистатический пакет...
Плата с вот такими надписями:
Пришлось вскрывать.
На плате установлен контроллер MEGA328P, синтез AD9954, USB-контроллер FT232RL,
на радиаторе - L7805.
Нераспаянные пины JP1 - похоже на SPI-программирование атмеги.
JP2 - USB-шина (Vbus, DP(D-), DM(D+), GND).
Перемычка JP3 отключает внешнее питание.
JP4 - USART (GND, RXD, 5V, TXD, GND),
JP5 - не понятно (+5V, SW, A-N, GND). чтобы случайно не закоротило, под плату подложен антистатический пакет...

ru0aog
ru0aog
- ru0aog
- Сообщения: 1059
- Зарегистрирован: 30 сен 2021, 05:50
- Позывной: ru0aog
- Город: Красноярск
- Имя: Станислав
- Благодарил (а): 138 раз
- Поблагодарили: 152 раза
NWT-300AF
Сообщение ru0aog » 17 ноя 2021, 09:00
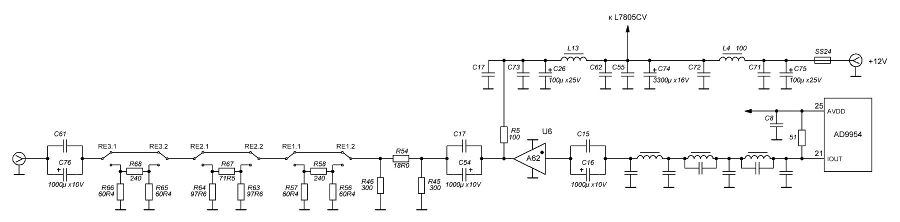
Питание на усилитель приходит +11,6 В (после фильтров).
На самом выходе усилителя +2,16 В.
Маркировка усилителя А62 (SGA-6289) Перерисовал выход NWT-300AF:
Cправа от U6 всё отлично (от синтеза до усилителя), а вот слева (от усилителя до аттенюаторов и дальше, к выходу) сигнал совсем слабенький.
У меня на выходе синтеза 200 мВ = -1 дБм.
А вход NWT замаркирован как +10 дБм макс На входе стоят микрухи AD8361A и AD8307, для AD8361A максимальный уровень на входе как раз +10 дБм (хотя AD8307 воспринимает от -75 до +17 дБм).
Вот и выходит максимальный ДД от -75 до +10 дБм = 85 дБ.
Значит, усиливать надо не более, чем на 11 дБ.
Заказал ВЕК AG602-89G SOT-89.
Приехали в январе 2017, запаял - работает!
На самом выходе усилителя +2,16 В.
Маркировка усилителя А62 (SGA-6289) Перерисовал выход NWT-300AF:
Cправа от U6 всё отлично (от синтеза до усилителя), а вот слева (от усилителя до аттенюаторов и дальше, к выходу) сигнал совсем слабенький.
У меня на выходе синтеза 200 мВ = -1 дБм.
А вход NWT замаркирован как +10 дБм макс На входе стоят микрухи AD8361A и AD8307, для AD8361A максимальный уровень на входе как раз +10 дБм (хотя AD8307 воспринимает от -75 до +17 дБм).
Вот и выходит максимальный ДД от -75 до +10 дБм = 85 дБ.
Значит, усиливать надо не более, чем на 11 дБ.
Заказал ВЕК AG602-89G SOT-89.
Приехали в январе 2017, запаял - работает!
ru0aog
- ru0aog
- Сообщения: 1059
- Зарегистрирован: 30 сен 2021, 05:50
- Позывной: ru0aog
- Город: Красноярск
- Имя: Станислав
- Благодарил (а): 138 раз
- Поблагодарили: 152 раза
NWT-300AF
Сообщение ru0aog » 17 ноя 2021, 09:07
И теперь, отработав какое-то время,
вновь та же ситуация: слабый выходной сигнал.
Поскольку на выходе NWT сигнал присутствует всегда, то возможны переходные процессы при подключении/отключении нагрузки.
А может и статикой шьёт, так как раз на раз не приходится.
Начал искать, и вижу, что данная проблема не только у меня.
У всех, у кого на выходе стоит составной транзистор типа AG602, рано или поздно горел выход.
Тут один парень предложил решение.
вновь та же ситуация: слабый выходной сигнал.
Поскольку на выходе NWT сигнал присутствует всегда, то возможны переходные процессы при подключении/отключении нагрузки.
А может и статикой шьёт, так как раз на раз не приходится.
Начал искать, и вижу, что данная проблема не только у меня.
У всех, у кого на выходе стоит составной транзистор типа AG602, рано или поздно горел выход.
Тут один парень предложил решение.
Более продвинутые пользователи NWT-шек ставят на выходе AD8009.При эксплуатации измерителя пропадает сигнал на выходе прибора. Детальный осмотр показал что выходит из строя ВЧ усилитель с маркировкой A62. Поиск устранения данной неисправности в интернете не принёс желанного результата, то есть - уменьшение напряжения питания вплоть до 8 вольт (с 12 -ти), замена ВЧ усилителя с подобными характеристиками (как более мощного, так и менее мощного), установка электролитов на более высокое напряжение, и так далее. Казалось бы что применённый ВЧ усилитель ничего сложного из себя не представляет (это обычные составные транзисторы), и наверное по этому было вынесено решение - вся проблема в чувствительности к статическому напряжению. И получилось что причина выяснена а проблема осталась.
Анализируя величину входного и выходного напряжения усилителя A62, пришёл к выводу, что необходимо во входную цепь усилителя включить сопротивление на 27 ом.
Для этого перерезаем дорожку и впаиваем SMD сопротивление 0805. Я поставил это сопротивление на торец (так как там мало места) и впаял без всяких удлинительных проводков.
История использования NWT 300: после покупки проработал 3 месяца, потом в течении пол года последовательно поменял три усилителя, и только после впаивания сопротивления прибор бесперебойно работает уже около двух лет.
Совет, особенно тем кто только что купил NWT 300 или подобный - не ждите пока полетит усилитель, а он полетит обязательно если не впаять сопротивление.
Удачи.
ru0aog
ru0aog
- ru0aog
- Сообщения: 1059
- Зарегистрирован: 30 сен 2021, 05:50
- Позывной: ru0aog
- Город: Красноярск
- Имя: Станислав
- Благодарил (а): 138 раз
- Поблагодарили: 152 раза
NWT-300AF
Сообщение ru0aog » 17 ноя 2021, 10:17
Нашёл обычный на 27 Ом.
Разрезал дорожку и напаял сбоку
Одел термоусадку на всякий случай и припаял вторую ногу, благо лапы электролитического кондёра рядом
Вышло так:
Что-то заработало
получилось примерно +8 dBm.
Прогнал до 50 МГц, надо калибровать. А я все свои калибровочные дела куда-то задевал... Может это кабели такие, а может длинноногий резистор вдоль земляной шины влияет.
Разрезал дорожку и напаял сбоку

Прогнал до 50 МГц, надо калибровать. А я все свои калибровочные дела куда-то задевал... Может это кабели такие, а может длинноногий резистор вдоль земляной шины влияет.
- NWT.rar
- (13.93 КБ) 571 скачивание
ru0aog
- ru0aog
- Сообщения: 1059
- Зарегистрирован: 30 сен 2021, 05:50
- Позывной: ru0aog
- Город: Красноярск
- Имя: Станислав
- Благодарил (а): 138 раз
- Поблагодарили: 152 раза
NWT-300AF
Сообщение ru0aog » 17 ноя 2021, 13:04
Забыл я, что NWT4 не позволяет использовать внутренний аттенюатор при калибровке.
Качаю NWT5, устанавливаю.
1. Включаем частотомер и NWT. Выход RF OUT соединяем с измерительным входом частотомера.
Прогреваем минимум 10 минут.
2. Переходим в режим ГПД и выставляем частоту 10 000 000 Гц.
3. Измеряем частоту.
У меня получилось 10,000,046 Гц.
4. Открываем вкладку Настройка -> Параметры
и в поле "Тактовая частота DDS" в строчку "Частота" вписываем, чего намерили
Ещё раз - пишем именно то, что показывает частотомер!
Подтверждаем изменения, нажав "ОК".
Фактически, там не частота DDS, а поле для ввода измеренного значения.
5. Переходим в режим ГКЧ, потом - в ГПД. Это нужно для переустановки генератора и применения введённых настроек.
Измеряем ещё раз.
Теперь частота скорректировалась в другую сторону.
Например измерили 9.999.999,0 Гц. Вводим это число в окно "Тактовая DDS".
6. Повторяем шаги 4, 5 до тех пор, пока в измерениях не получим ровно 10 000 000.
Качаю NWT5, устанавливаю.
1. Включаем частотомер и NWT. Выход RF OUT соединяем с измерительным входом частотомера.
Прогреваем минимум 10 минут.
2. Переходим в режим ГПД и выставляем частоту 10 000 000 Гц.
3. Измеряем частоту.
У меня получилось 10,000,046 Гц.
4. Открываем вкладку Настройка -> Параметры
и в поле "Тактовая частота DDS" в строчку "Частота" вписываем, чего намерили
Ещё раз - пишем именно то, что показывает частотомер!
Подтверждаем изменения, нажав "ОК".
Фактически, там не частота DDS, а поле для ввода измеренного значения.
5. Переходим в режим ГКЧ, потом - в ГПД. Это нужно для переустановки генератора и применения введённых настроек.
Измеряем ещё раз.
Теперь частота скорректировалась в другую сторону.
Например измерили 9.999.999,0 Гц. Вводим это число в окно "Тактовая DDS".
6. Повторяем шаги 4, 5 до тех пор, пока в измерениях не получим ровно 10 000 000.
ru0aog
Вернуться в «Измерения, приборы и софт»
Перейти
- Обязательно к прочтению
- Аналоговая схемотехника
- ↳ Супергетеродинные приемники и трансиверы
- ↳ Прямое преобразование
- ↳ Прямое усиление
- ↳ Регенераторы
- ↳ Узлы, блоки, модули
- ↳ Усилители мощности
- Цифровая техника
- ↳ SDR приемники
- ↳ SDR приставки
- ↳ SDR трансиверы
- ↳ Микроконтроллеры и программирование
- Теплая лампота
- ↳ Супергетеродины
- ↳ Регенераторы
- ↳ Прямого усиления
- ↳ УНЧ
- ↳ ВЧ усилители мощности
- Источники питания
- ↳ Трансформаторные и линейные
- ↳ Импульсные и преобразователи
- ↳ Гибриды
- ↳ Аккумуляторы и батареи
- ↳ Альтернативные источники
- Антенны
- ↳ Антенны КВ
- ↳ Антенны УКВ
- ↳ Фидеры кабели
- ↳ Антенные приборы и устройства
- ↳ Тюнеры
- Фирменная аппаратура
- ↳ Yaesu
- ↳ Icom
- ↳ Kenwood
- ↳ Прочие
- Мастерская
- ↳ Измерения, приборы и софт
- ↳ Паяльное оборудование
- ↳ Слесарка
- ↳ ЧПУ и 3D принтеры
- Разное
- ↳ Другие радио темы
- ↳ Полевой день
- ↳ Помогите опознать
- ↳ Куплю Продам Магазины Продавцы
- ↳ Флудильня и оффтоп
- Работа форума