Фильтр был трёхконтурный с вот такой характеристикой: Недостаточное подавление зеркального канала на частотах 2,5...2,8 МГц (не более 41 дБ) побудило меня изготовить другой, четырёхконтурный фильтр.
Благо основное звено фильтрации тут представляют контура на заводских дросселях, их наматывать не надо - бери из коробки, сколько нужно

Задача стояла - подавить частоты зеркального канала для диапазона 80 метров.
Не нужно добиваться серьёзного подавления за полосой, вполне достаточно было бы -50 дБ. Поэтому фильтр особо не экранирую, контура не развязываю, и вообще, можно набить их поплотнее, не опасаясь за пролаз "по воздуху".
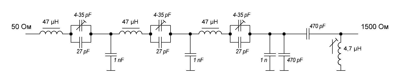
Добавляю ещё одно звено: Также постарался унифицировать номиналы используемых конденсаторов и дросселей.
Намоточный узел только один - катушка Ф 8 мм с подстроечником, 20 витков провода 0,2 мм.
Паяю: Обмеряю: Конечно, затухание добавилось.
Возможно более тщательной настройкой можно было бы добиться лучших результатов. Но пока так.