Синтезатор на 2xAD9833
- ru0aog
- Сообщения: 1059
- Зарегистрирован: 30 сен 2021, 05:50
- Позывной: ru0aog
- Город: Красноярск
- Имя: Станислав
- Благодарил (а): 138 раз
- Поблагодарили: 152 раза
Синтезатор на 2xAD9833
Сообщение ru0aog » 12 ноя 2021, 08:51
Тут вот для этой темы понадобился синтезатор с двумя выходами, на опорник и собственно VFO, а то неудобно каждый раз лабораторного гену дёргать.
Мелкота в виде Si5351 имеется, но паять SMD для меня это своего рода мазохизм. А зачем заниматься тем, что не приносит удовольствия?
И так, пока едут из Китая заказанные модули с сишками, покопался в закромах и нашёл модули на AD9833, я такой когда-то ставил вот в этот приёмник прямого преобразования.
Вот их пока и применю.
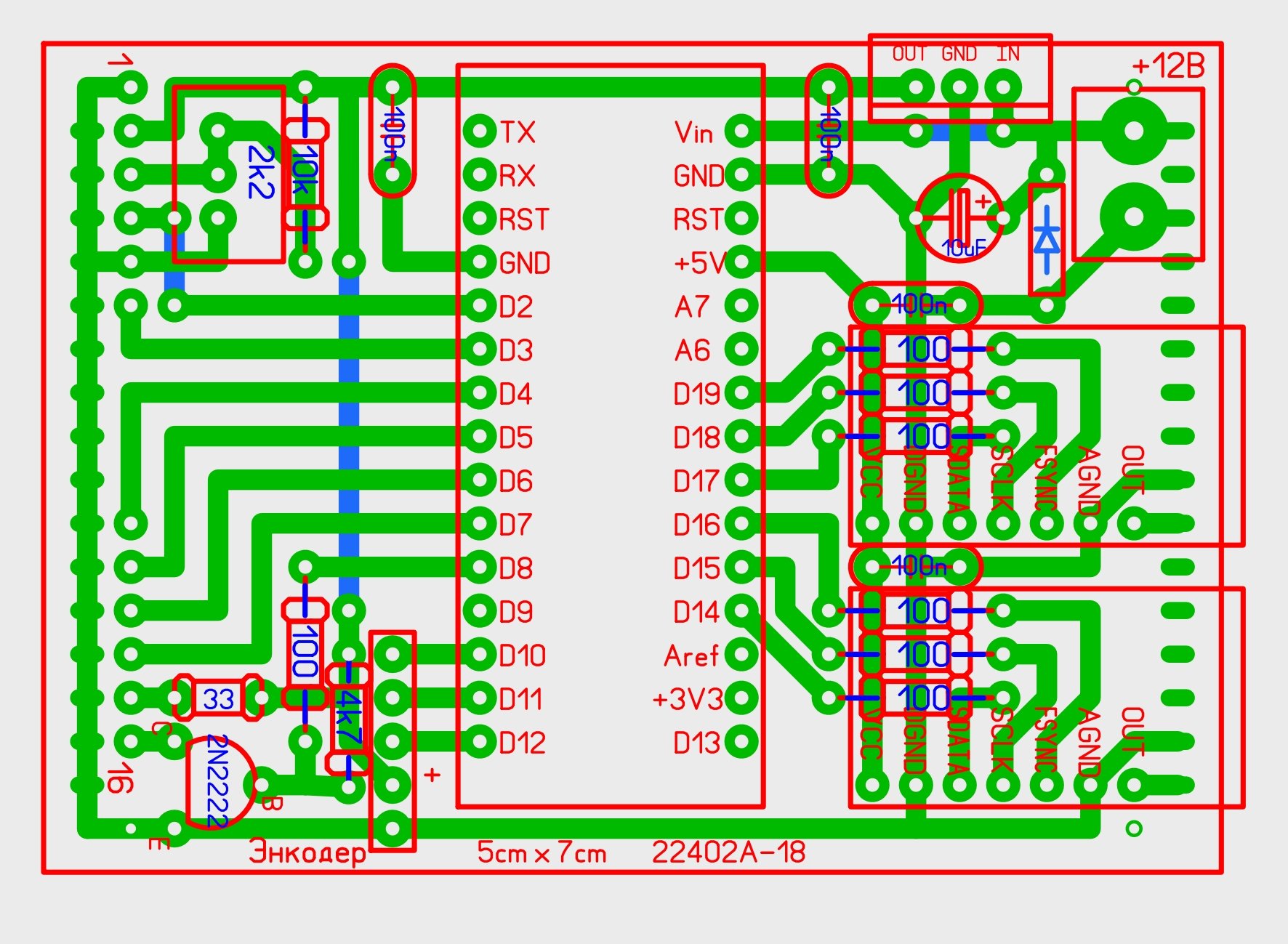
Собирать буду, как водится, на макетках 5х7 см.
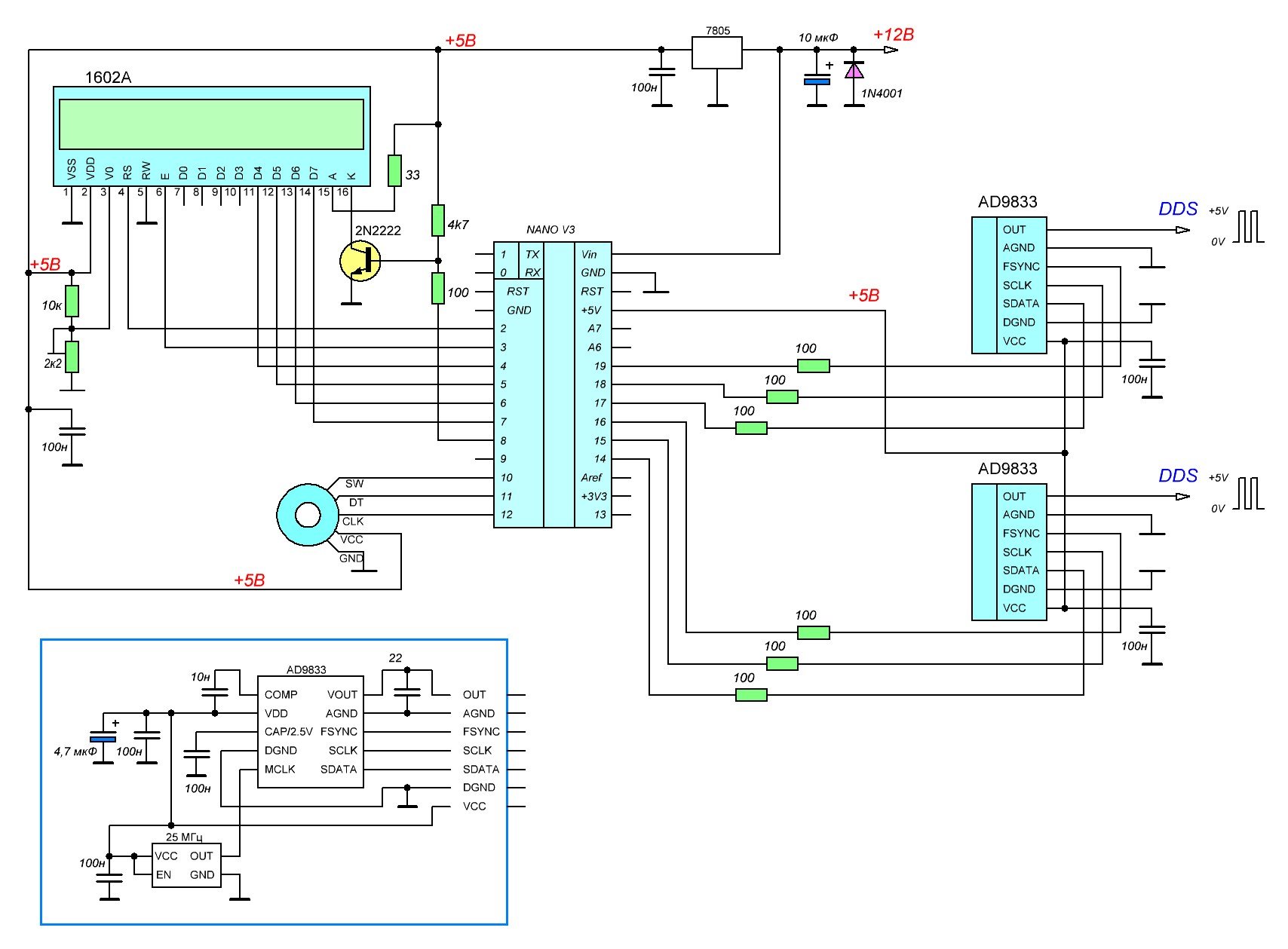
Схема видится вот такая: Можно было бы ещё чего-нибудь прикрутить, но места на макетке уже не осталось. Это пока лишь наброски, как спаяю рабочий вариант - выложу фотки.
А пока исходники
Мелкота в виде Si5351 имеется, но паять SMD для меня это своего рода мазохизм. А зачем заниматься тем, что не приносит удовольствия?
И так, пока едут из Китая заказанные модули с сишками, покопался в закромах и нашёл модули на AD9833, я такой когда-то ставил вот в этот приёмник прямого преобразования.
Вот их пока и применю.
Собирать буду, как водится, на макетках 5х7 см.
Схема видится вот такая: Можно было бы ещё чего-нибудь прикрутить, но места на макетке уже не осталось. Это пока лишь наброски, как спаяю рабочий вариант - выложу фотки.
А пока исходники
ru0aog
- ru0aog
- Сообщения: 1059
- Зарегистрирован: 30 сен 2021, 05:50
- Позывной: ru0aog
- Город: Красноярск
- Имя: Станислав
- Благодарил (а): 138 раз
- Поблагодарили: 152 раза
Синтезатор на 2xAD9833
Сообщение ru0aog » 14 ноя 2021, 10:13
М-да, рисовать было намного проще, чем паять 
Пока что набил детальки, дорожки потом буду распаивать.

Пока что набил детальки, дорожки потом буду распаивать.
ru0aog
- ru0aog
- Сообщения: 1059
- Зарегистрирован: 30 сен 2021, 05:50
- Позывной: ru0aog
- Город: Красноярск
- Имя: Станислав
- Благодарил (а): 138 раз
- Поблагодарили: 152 раза
Синтезатор на 2xAD9833
Сообщение ru0aog » 15 ноя 2021, 13:54
Запял всё.
Единственно, не нашёл у себя платки с энкодером 
На выходах ничё так, генерируется прямоугольник (так и было задумано)
3650 кГц 500 кГц Проверим частоту Это наверное частотомер ещё не прогрелся.
А может опорники кривые. Если будет критично, потом в код можно коррекцию ввести.
Прромежуточная версия

На выходах ничё так, генерируется прямоугольник (так и было задумано)
3650 кГц 500 кГц Проверим частоту Это наверное частотомер ещё не прогрелся.
А может опорники кривые. Если будет критично, потом в код можно коррекцию ввести.
Прромежуточная версия
- _ver2.1.rar
- (1023.97 КБ) 656 скачиваний
ru0aog
- ru0aog
- Сообщения: 1059
- Зарегистрирован: 30 сен 2021, 05:50
- Позывной: ru0aog
- Город: Красноярск
- Имя: Станислав
- Благодарил (а): 138 раз
- Поблагодарили: 152 раза
Синтезатор на 2xAD9833
Сообщение ru0aog » 15 ноя 2021, 18:17
Так, это я забыл убрать корректировку частоты из программы от предыдущего модуля
Теперь уже сказывается нестабильность опорных генераторов синтезаторов. От нагрева пальцем частота уплывает на пару герц.
Также ввёл ШИМ подсветки экрана. Чтобы телефон не видел мерцания, на светодиоды подсветки повесил сглаживающий конденсатор 1000 мкФ.
Заполнение ШИМ 30 % Ещё выяснилось, что мой китайский LCD-модуль имеет брак - искажаются ячейки ОЗУ знакогенертора № 6 и 7. Поэтому загружать русские буквы пришлось в начало ОЗУ.
Буду искать механический энкодер на плате. Пока нашёлся только простой, без платы и штырьков
И да, подсветка неравномерная...

Также ввёл ШИМ подсветки экрана. Чтобы телефон не видел мерцания, на светодиоды подсветки повесил сглаживающий конденсатор 1000 мкФ.
Заполнение ШИМ 30 % Ещё выяснилось, что мой китайский LCD-модуль имеет брак - искажаются ячейки ОЗУ знакогенертора № 6 и 7. Поэтому загружать русские буквы пришлось в начало ОЗУ.
Буду искать механический энкодер на плате. Пока нашёлся только простой, без платы и штырьков

И да, подсветка неравномерная...
- VFO1-1.rar
- (2.77 КБ) 656 скачиваний
ru0aog
-
- Сообщения: 19
- Зарегистрирован: 18 ноя 2021, 12:25
- Поблагодарили: 1 раз
Синтезатор на 2xAD9833
Сообщение alexander12 » 22 ноя 2021, 14:27
Смотреть вот этот канал до посинения и повторять за автором до посинения.
https://www.youtube.com/watch?v=omR7QE8H82w
alexander12
ru0aog
- ru0aog
- Сообщения: 1059
- Зарегистрирован: 30 сен 2021, 05:50
- Позывной: ru0aog
- Город: Красноярск
- Имя: Станислав
- Благодарил (а): 138 раз
- Поблагодарили: 152 раза
Синтезатор на 2xAD9833
Сообщение ru0aog » 08 фев 2022, 08:36
Перемерил калиброванными приборами. Мой частотомер оказывается, имел приличную ошибку...
Перезалил прошивку
Установлена форма сигнала - синус.
Проверил частоты и спектры.
Опорного генератора промежуточной частоты: Гетеродина плавного диапазона: -60 dBc для опорника - очень хорошо, имхо.
-50 dBc для ГПД - тоже неплохо. Думал будет хуже.
Хотя это укладывается в данные даташита: На модулях стоит тактовый генератор на 25 МГц. Никаких фильтров нет.
Вывод: надо верить даташитам
Перезалил прошивку
- VFO1-6.rar
- (3.14 КБ) 619 скачиваний
Проверил частоты и спектры.
Опорного генератора промежуточной частоты: Гетеродина плавного диапазона: -60 dBc для опорника - очень хорошо, имхо.
-50 dBc для ГПД - тоже неплохо. Думал будет хуже.
Хотя это укладывается в данные даташита: На модулях стоит тактовый генератор на 25 МГц. Никаких фильтров нет.
Вывод: надо верить даташитам

ru0aog
- ru0aog
- Сообщения: 1059
- Зарегистрирован: 30 сен 2021, 05:50
- Позывной: ru0aog
- Город: Красноярск
- Имя: Станислав
- Благодарил (а): 138 раз
- Поблагодарили: 152 раза
Синтезатор на 2xAD9833
Сообщение ru0aog » 06 окт 2022, 10:32
Продолжаем.
Так как всё это упаковывается в корпус, то пришло время и для синтезатора.
В связи с чем у меня вопрос - стоит ли ставить ФНЧ на выходе синтеза для подавления гармоник?
Аппарат задумывался как "походный", двухдиапазонный.
Основной диапазон - 80 метров. И один дополнительный - пока ещё не решил, будет это 160 м или 40 м.
Поначалу хотел максимального исключения "лишних" узлов, но постепенно пришёл к пониманию, что чем меньше деталей, тем больше компромиссов
Изначально задумывалось электронное переключение генераторов при переходе с приёма на передачу, но теперь я отказался от такой идеи - на основной плате выполнено переключение генераторов при помощи реле.
Сигнал опорника 500,00 кГц (или 496,20 кГц) будет формироваться отдельным синтезатором и его однозначно надо пропустить через ФНЧ. Просто ради интереса
А вот сигнал генератора плавного диапазона - вопрос... стоит ли?
В ближней зоне вроде чистенько, да и в дальней гармоника всего на -50 dBc.
Нужно ли заморачиваться?
Так как всё это упаковывается в корпус, то пришло время и для синтезатора.
В связи с чем у меня вопрос - стоит ли ставить ФНЧ на выходе синтеза для подавления гармоник?
Аппарат задумывался как "походный", двухдиапазонный.
Основной диапазон - 80 метров. И один дополнительный - пока ещё не решил, будет это 160 м или 40 м.
Поначалу хотел максимального исключения "лишних" узлов, но постепенно пришёл к пониманию, что чем меньше деталей, тем больше компромиссов

Изначально задумывалось электронное переключение генераторов при переходе с приёма на передачу, но теперь я отказался от такой идеи - на основной плате выполнено переключение генераторов при помощи реле.
Сигнал опорника 500,00 кГц (или 496,20 кГц) будет формироваться отдельным синтезатором и его однозначно надо пропустить через ФНЧ. Просто ради интереса

А вот сигнал генератора плавного диапазона - вопрос... стоит ли?
В ближней зоне вроде чистенько, да и в дальней гармоника всего на -50 dBc.
Нужно ли заморачиваться?
ru0aog
- ru0aog
- Сообщения: 1059
- Зарегистрирован: 30 сен 2021, 05:50
- Позывной: ru0aog
- Город: Красноярск
- Имя: Станислав
- Благодарил (а): 138 раз
- Поблагодарили: 152 раза
Синтезатор на 2xAD9833
Сообщение ru0aog » 06 окт 2022, 10:45
Пока прикину ФНЧ для 500 кГц.
Естественно, это будут не настраиваемые контура, а взятые из стандартного ряда детали.
В даташите на AD9833 написано, что выходное сопротивление микросхемы 200 Ом. У меня входы генераторов на плате нагружены на 500 Ом.
Чтобы гармонику сравнять с шумовой подошвой достаточно подавления -25 дБ.
Думаю, фильтра 5-го порядка будет достаточно.
Считаем. Вышло 87.3 мкГн
Ближайший к стандартному значению номинал (в меньшую сторону) - 68 мкГн.
Изменяя допускаемую неравномерность, подгоняем индуктивности Либо, если перейти с Чебышева на Баттерворта, то будет близко к другому номиналу - 100 мкГн .
Так вроде неплохо получается Правда, потери -2 дБ на рабочей частоте.
Естественно, это будут не настраиваемые контура, а взятые из стандартного ряда детали.
В даташите на AD9833 написано, что выходное сопротивление микросхемы 200 Ом. У меня входы генераторов на плате нагружены на 500 Ом.
Чтобы гармонику сравнять с шумовой подошвой достаточно подавления -25 дБ.
Думаю, фильтра 5-го порядка будет достаточно.
Считаем. Вышло 87.3 мкГн
Ближайший к стандартному значению номинал (в меньшую сторону) - 68 мкГн.
Изменяя допускаемую неравномерность, подгоняем индуктивности Либо, если перейти с Чебышева на Баттерворта, то будет близко к другому номиналу - 100 мкГн .
Так вроде неплохо получается Правда, потери -2 дБ на рабочей частоте.
- ФНЧ_500.rar
- (1021 байт) 553 скачивания
ru0aog
- ru0aog
- Сообщения: 1059
- Зарегистрирован: 30 сен 2021, 05:50
- Позывной: ru0aog
- Город: Красноярск
- Имя: Станислав
- Благодарил (а): 138 раз
- Поблагодарили: 152 раза
Синтезатор на 2xAD9833
Сообщение ru0aog » 06 окт 2022, 11:58
С другой стороны, зачем диапазонные фильтры на ГПД?
Достаточно будет подчисточного ФНЧ по верхней границе генератора - 12,5 МГц.
Например - так:
P.S.
На 500 кГц лучше такой фильтр:
Достаточно будет подчисточного ФНЧ по верхней границе генератора - 12,5 МГц.
Например - так:
- ФНЧ_13.rar
- (995 байт) 565 скачиваний
На 500 кГц лучше такой фильтр:
- ФНЧ_500_2.rar
- (984 байт) 585 скачиваний
ru0aog
Вернуться в «Узлы, блоки, модули»
Перейти
- Обязательно к прочтению
- Аналоговая схемотехника
- ↳ Супергетеродинные приемники и трансиверы
- ↳ Прямое преобразование
- ↳ Прямое усиление
- ↳ Регенераторы
- ↳ Узлы, блоки, модули
- ↳ Усилители мощности
- Цифровая техника
- ↳ SDR приемники
- ↳ SDR приставки
- ↳ SDR трансиверы
- ↳ Микроконтроллеры и программирование
- Теплая лампота
- ↳ Супергетеродины
- ↳ Регенераторы
- ↳ Прямого усиления
- ↳ УНЧ
- ↳ ВЧ усилители мощности
- Источники питания
- ↳ Трансформаторные и линейные
- ↳ Импульсные и преобразователи
- ↳ Гибриды
- ↳ Аккумуляторы и батареи
- ↳ Альтернативные источники
- Антенны
- ↳ Антенны КВ
- ↳ Антенны УКВ
- ↳ Фидеры кабели
- ↳ Антенные приборы и устройства
- ↳ Тюнеры
- Фирменная аппаратура
- ↳ Yaesu
- ↳ Icom
- ↳ Kenwood
- ↳ Прочие
- Мастерская
- ↳ Измерения, приборы и софт
- ↳ Паяльное оборудование
- ↳ Слесарка
- ↳ ЧПУ и 3D принтеры
- Разное
- ↳ Другие радио темы
- ↳ Полевой день
- ↳ Помогите опознать
- ↳ Куплю Продам Магазины Продавцы
- ↳ Флудильня и оффтоп
- Работа форума